At 2 AM, no one cares how good your CAD file is. They need to find the problem.
We build Simplified Operational As-Builts — not for construction, but for the people who actually run your building. One clear diagram. Every valve and sensor field-verified on site.
In most mechanical rooms, the original drawings are missing, outdated, or overloaded with as-designed details that don't reflect reality. When something breaks — nights, weekends, holidays — your team is guessing. And guessing costs time, money, and heat.
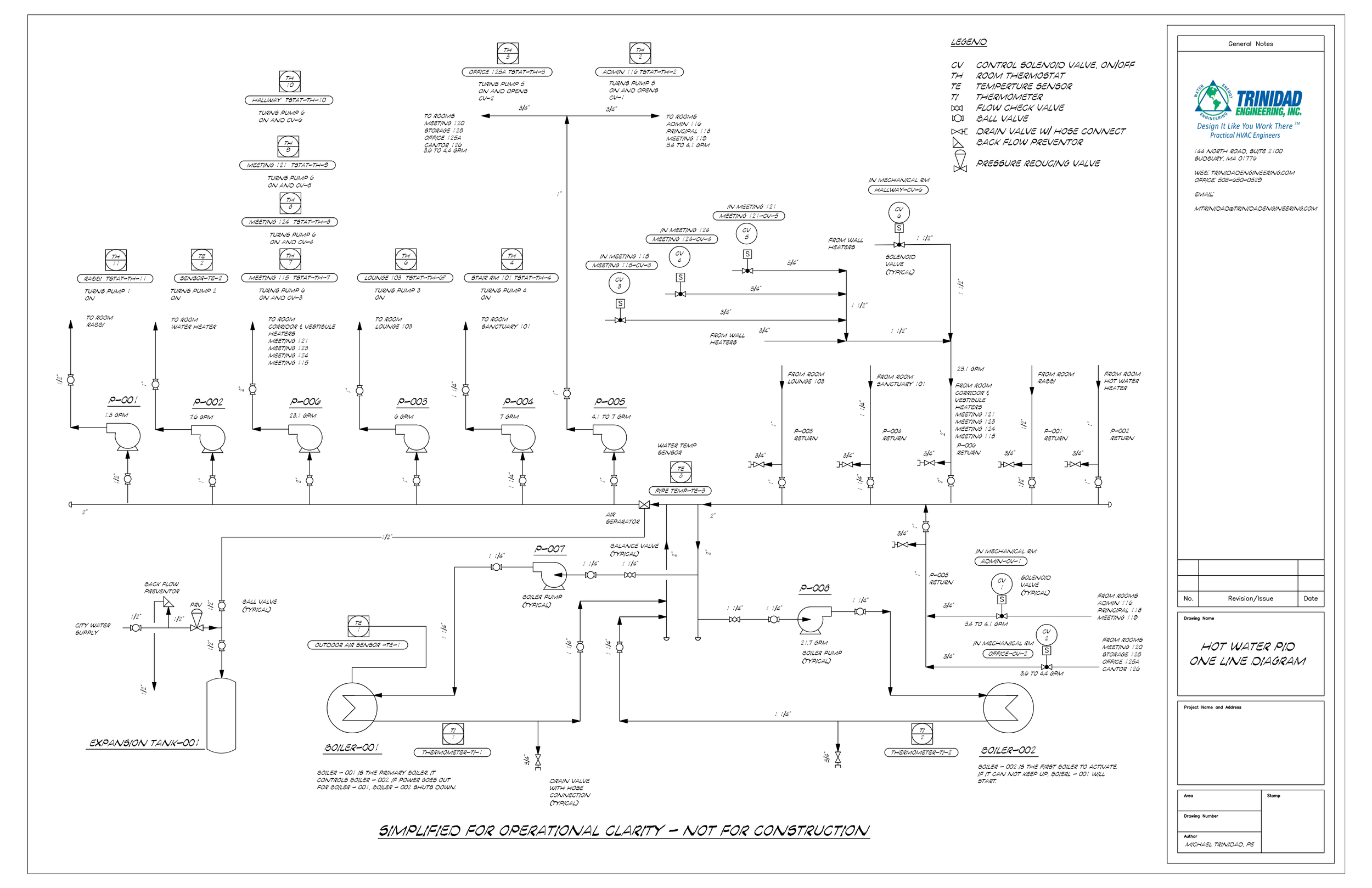
Hot Water One-Line Diagram — Field-Verified Operational As-Built
This diagram was developed after a full on-site field verification, including ultrasonic water flow measurements. It shows exactly how heat moves from the boiler plant to each zone — primary/backup sequencing, pump assignments, valve logic, and what happens when equipment fails.
Unlike construction drawings, this was built for the person holding the wrench at 2 AM — not the architect. Every element verified. Nothing assumed.
Where does the energy actually go?
What turns on what?
Which pump serves which zone?
What happens when something fails?
Free 15-minute discovery call
Tell us about your facility and what documentation you already have. We scope the project together — no obligation, no pressure.
On-site field verification
We come to you. Sleeves rolled up. Every valve, sensor, pump, and connection is physically traced and verified — including flow measurements where needed. Nothing is assumed from old drawings.
You receive your Operational As-Built
A clean, simplified diagram your facilities team can actually use — with a PDF version ready to post in the mechanical room. Built for the person who needs to find the problem fast.
We work with facilities teams, engineers, and building owners across colleges and universities, manufacturing plants, medical and pharmaceutical operations, and research environments. If your mechanical room feels like a guessing game, we can fix that.
"Design it like you work there. That means time on-site, sleeves rolled up, every valve and sensor verified. There's something deeply satisfying about making something old run better than anyone thought it could."— Michael Trinidad PE CPD, President, Trinidad Engineering
See what this looks like for your building
Book a free 15-minute call. No commitment — just a conversation about your mechanical room and whether a Simplified Operational As-Built makes sense for your team.
